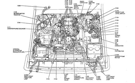
97 Powerstroke Engine Diagram

97 powerstroke engine diagram
need wiring help on 97 7.3 - Diesel Forum - TheDieselStop.com 97 powerstroke engine diagram
Need some quick help with GPR wiring!! - Ford Truck ... 97 powerstroke engine diagram
Serpentine belt replacement 1999 - 2006 Volvo S80 Install ... 97 powerstroke engine diagram
1994 Ford F150, 302, 5.0 Power Steering Pump and Belt ... 97 powerstroke engine diagram
How to change Fuel Pressure Regulator - 2002 Ford F150 ... 97 powerstroke engine diagram
How To Install Replace Engine Serpentine Belt Ford F150 ... 97 powerstroke engine diagram
7.3L Powerstroke Oil Leaks: High Pressure Pump Fitting ... 97 powerstroke engine diagram
6.5L GM Rear Turbo Diesel Depot Kevin Champoux.avi - YouTube 97 powerstroke engine diagram
How To Install Replace Belt Tensioner Idler Pulley Chevy ... 97 powerstroke engine diagram
Service engine soon light? - F150online Forums 97 powerstroke engine diagram
Pump timing adjustment - YouTube 97 powerstroke engine diagram
2003 F150 Thermostat Replacement 5.4 Triton - YouTube 97 powerstroke engine diagram
Turbocharger FAQ 97 powerstroke engine diagram
Truck wont start - parked on flat surface - Ford F150 ... 97 powerstroke engine diagram
TORQUE DE CABEZA y secuencia de apriete. motor 2.4 altima ... 97 powerstroke engine diagram
Disconnect the cables to the alternator 97 powerstroke engine diagram
vs commodore charging system problems. - YouTube 97 powerstroke engine diagram
1997 GMC Truck: Engine Oil Pan Gasket Replacement - YouTube 97 powerstroke engine diagram
Fixing Idling Problem Throttle Position Sensor Replacement ... 97 powerstroke engine diagram

97 Powerstroke Engine Diagram


Please create a FREE ACCOUNT to continue reading or download !

Start Your FREE Month!!