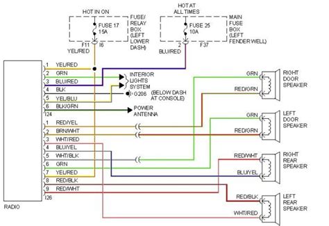
Outback Trailer Wiring Diagram

outback trailer wiring diagram
Powering Your Jayco - 12V & 240V options - YouTube outback trailer wiring diagram
Subaru Outback (2001 – 2002) – fuse box diagram - Auto Genius outback trailer wiring diagram
SOLD! 2004 Keystone / Liteway Outback 21 RS with Slide ... outback trailer wiring diagram
How to replace a LED tail light on a 2006 - 2013 Toyota ... outback trailer wiring diagram
No reverse lights - Inhibitor switch *GOOD*, fuse good ... outback trailer wiring diagram
Accessory Fuse Block and Cable Install in a 4WD - How to ... outback trailer wiring diagram
Supplying Water to Your Jayco - YouTube outback trailer wiring diagram
Subaru Outback (2000) - fuse box diagram - Auto Genius outback trailer wiring diagram
Running the Hot Water System on a Jayco RV - YouTube outback trailer wiring diagram
Excellent Subaru Impreza Horn Wiring Diagram Subaru ... outback trailer wiring diagram
SOLD! 2005 Keystone Hornet 30 BHSS Travel Trailer with ... outback trailer wiring diagram
New SHURflo 12V 3.0 GPM RV Water Pump 4008-101-A65 ... outback trailer wiring diagram
Where is the fuel pump fuse on my EJ18 1994 Impreza ... outback trailer wiring diagram
Best Battery For Solar Storage | RV and Camper Van outback trailer wiring diagram
Towbar Fitting Lancashire - YouTube outback trailer wiring diagram
Jay Series Sport Camping Trailers | Jayco, Inc. outback trailer wiring diagram
2012 | Jamies Touring Solutions | Page 4 outback trailer wiring diagram
How to Fix Turn Signal Problems in Under 20 Minutes outback trailer wiring diagram
Repairing a hole in the underbelly - YouTube outback trailer wiring diagram
How to Replace the Rear Wheel Hub Bearing on Your Honda ... outback trailer wiring diagram

Outback Trailer Wiring Diagram


Please create a FREE ACCOUNT to continue reading or download !

Start Your FREE Month!!