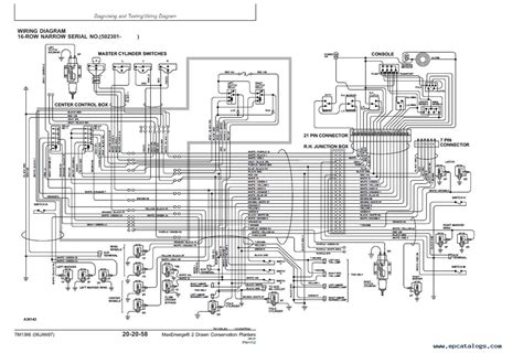
4620 Starter Wiring Schematic

4620 starter wiring schematic
Manual Alternator Tractors Dealer Switch Divine Electrical ... 4620 starter wiring schematic
And Starter Harness John Used Deere Solenoid Tractor Parts ... 4620 starter wiring schematic
And Starter Harness John Used Deere Solenoid Tractor Parts ... 4620 starter wiring schematic
Horse Parts Switch Harness Pdf Wiring Ride Electrical Gas ... 4620 starter wiring schematic
John deere 3020 4020 5020 rear service hydraulic hose ... 4620 starter wiring schematic
24 Volts from 12 4620 starter wiring schematic

4620 Starter Wiring Schematic


Please create a FREE ACCOUNT to continue reading or download !

Start Your FREE Month!!