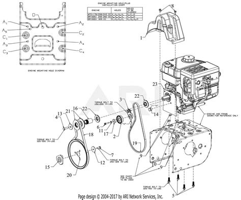
Mtd 12a 446m001 Engine Diagram

mtd 12a 446m001 engine diagram

Mtd 12a 446m001 Engine Diagram


Please create a FREE ACCOUNT to continue reading or download !

Start Your FREE Month!!