Heil Schematics

heil schematics
Index of /wp-content/uploads/2017/08/ heil schematics
Nordyne Air Handler Wiring Diagram | Free Wiring Diagram heil schematics
PDF's heil schematics
W2ENY PC headset microphone adapter for Amateur Radio use ... heil schematics
Spica TC-50 Crossover, The Spica Speaker Enthustiast heil schematics
Need help! Panzerfaust help - Page 3 heil schematics
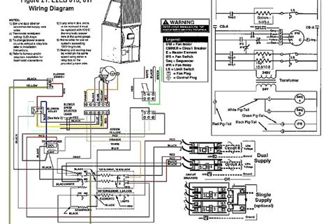
Gallery Of Gas Furnace Wiring Diagram Sample heil schematics
Schema multimetre digital heil schematics
YORK H1RA042S06D Home AC Issues - DoItYourself.com ... heil schematics
coleman 7900 gas furnace wiring | coleman furnace wiring ... heil schematics
B-75 air controls - Air Systems and Brakes - BigMackTrucks.com heil schematics
Power Supply for Air Conditioner | Renesas Electronics heil schematics
How to relight the pilot on the gas furnace - YouTube heil schematics
Trane - 95 and 90 Series heil schematics
Yamaha Dt175 1980 (a) Usa Carburetor - schematic partsfiche heil schematics
The Evolution Of Solid-State Storage In Enterprise Servers ... heil schematics
Electrical symbols - Gray Furnaceman Furnace Troubleshoot ... heil schematics
Complete equipment for tanks for fuels, chemicals, foods ... heil schematics

Heil Schematics


Please create a FREE ACCOUNT to continue reading or download !

Start Your FREE Month!!